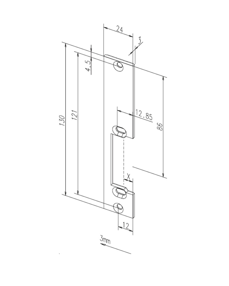
Коротка зворотна планка без отвору для основного ригеля замка та з функцією FIX (регулювання положення електромеханічної защіпки відносно планки). Призначена для встановлення електромеханічних защіпок у дерев’яні та металеві рами. Сумісна з усіма стандартними електромеханічними защіпками EFF EFF (серій Е7, 14).
Технічні характеристики:
-    Сторонність: Права
-    Розміри (Висота х Ширина х Товщина), мм: 130 х 24 х 3
-    Обробка: Нержавіюча сталь
 Якщо ви знайшли помилку, будь ласка, виділіть фрагмент тексту та натисніть Ctrl+Enter.
Якщо ви знайшли помилку, будь ласка, виділіть фрагмент тексту та натисніть Ctrl+Enter.