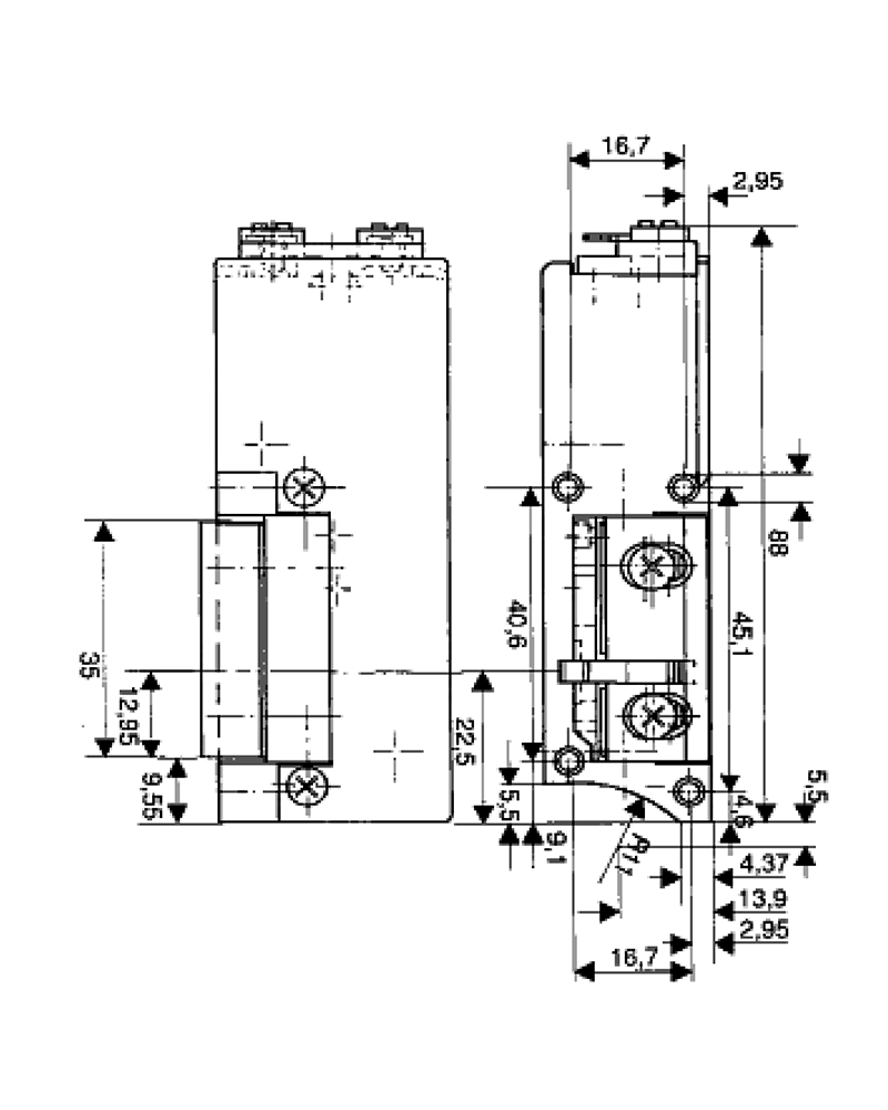
Защіпки електромеханічні серії 115/125 призначені для встановлення разом з багатонаправленими замками MUL-T-LOCK та MUL-T-LOCK-ESETY (зі зменшеною відстанню між основним ригелем та язичком замка). Мають  спеціальну несиметричну конструкцію.
Технічні характеристики:
- Електричне керування: нормально замкнена (замкнена без живлення, відмикання поданням напруги)
- Важіль механічного розблокування (можливість переведення дверей у режим вільного проходу без подання напруги)
- Механічна пам’ять (аретування) – при поданні короткого електричного імпульсу защіпка залишається розблокованою, доки двері не будуть відчинені
- Регулювання язичка: FaFix (регулювання язичка защіпки відносно корпусу, діапазон регулювання 5мм)
- Напруга: 6-12 В постійного струму (керування короткочасним поданням напруги (максимум 5 секунд), не призначена для довготривалого електричного розблокування)
- Сторонність: Ліва (4)
- Без зворотньої планки (зворотна планка замовляється окремо відповідно до типу дверей)
Сумісна з зворотними планками: 164 HZ, 163 KL
Інші моделі серії:
-    Нормально замкнена: 115
-    Нормально замкнена з механічною пам’яттю (аретуванням): 125
 Якщо ви знайшли помилку, будь ласка, виділіть фрагмент тексту та натисніть Ctrl+Enter.
Якщо ви знайшли помилку, будь ласка, виділіть фрагмент тексту та натисніть Ctrl+Enter.