Защіпка електромеханічна EFF EFF 125 ---------D15 FaFix (W/O_SP 6-12V_AC/DC R) НЗ_А для багатоспрямованих замків MTL

Купуй більше – отримай додаткову знижку!
Роздрібна ціна з ПДВ (без вартості монтажу):
4 718,40 грн. з ПДВ
Артикул:
EFF-125---------D15
Передзамовлення
Кількість
- + шт Купити
Увага! Цей товар потребує професійного збирання в авторизованому сервіс центрі
Орієнтовна вартість послуги з монтажу (не входить в вартість товару):
від 302,40 грн.
Виробник:
EFF EFF Німеччина
• Модель:
125
• Модифікація:
---------D15 FaFix (W/O_SP 6-12V_AC/DC R)
• Функції:
НЗ_А
• Призначення:
для багатоспрямованих замків MTL
Повний опис

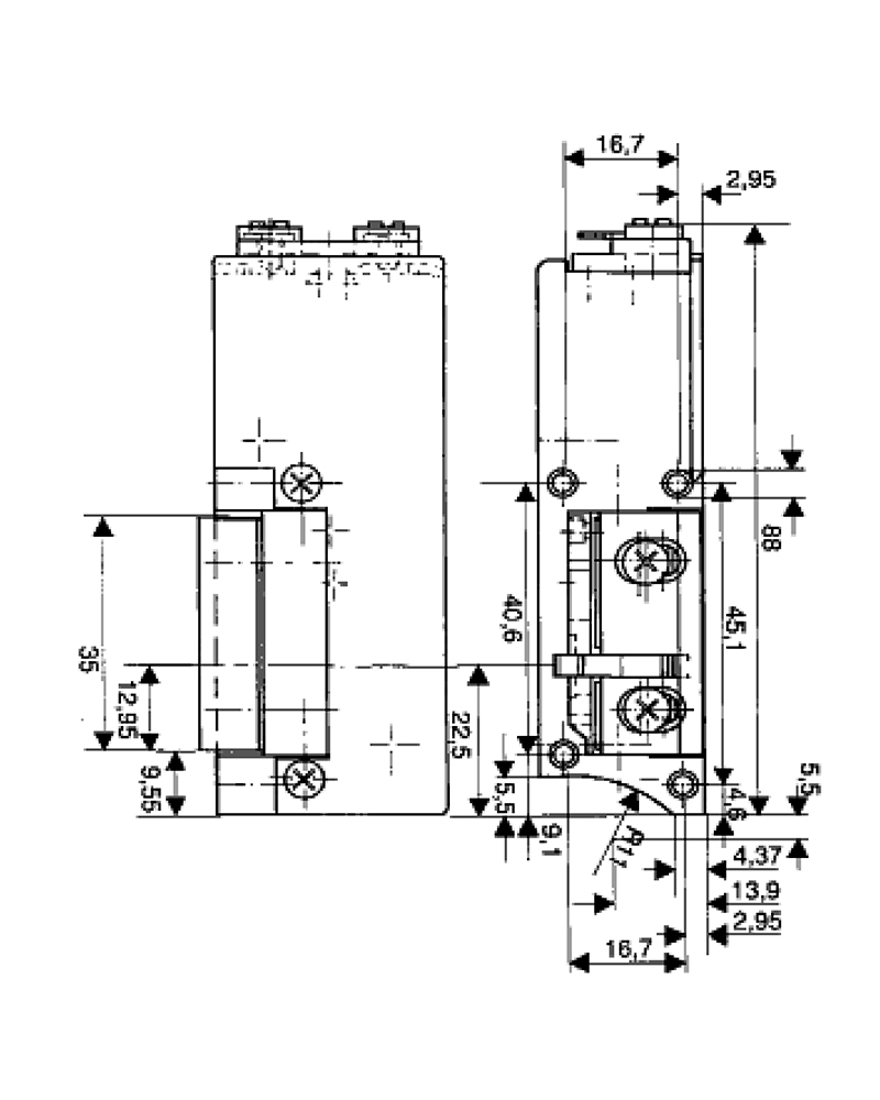
Защіпки електромеханічні серії 115/125 призначені для встановлення разом з багатонаправленими замками MUL-T-LOCK та MUL-T-LOCK-ESETY (зі зменшеною відстанню між основним ригелем та язичком замка). Мають  спеціальну несиметричну конструкцію.

Технічні характеристики:
- Електричне керування: нормально замкнена (замкнена без живлення, відмикання поданням напруги)
- Механічна пам’ять (аретування) – при поданні короткого електричного імпульсу защіпка залишається розблокованою, доки двері не будуть відчинені
- Регулювання язичка: FaFix (регулювання язичка защіпки відносно корпусу, діапазон регулювання 5мм)
- Напруга: 6-12 В постійного струму (керування короткочасним поданням напруги (максимум 5 секунд), не призначена для довготривалого електричного розблокування)
- Сторонність: Права (5)
- Без зворотньої планки (зворотна планка замовляється окремо відповідно до типу дверей)

Сумісна з зворотними планками: 164 HZ, 163 KL

Інші моделі серії:
-    Нормально замкнена: 115
-    Нормально замкнена з механічною пам’яттю  (аретуванням) та з механічним розблокуванням: 125Е

Якщо ви знайшли помилку, будь ласка, виділіть фрагмент тексту та натисніть Ctrl+Enter.
Фільтр
Вибір:
Поставте помітки зліва від параметрів, які вас цікавлять і дочекайтеся вспливаючого вікна з кількістю віднайдених товарів
Тип товару
Бренд продукту
Модель
Функції
НВ - Нормально відімкнена НЗ - Нормально замкнена НЗ_А - Нормально замкнена з механічною пам'яттю НЗ_АЕ - Нормально замкнена з механічним розблокуванням та механічною пам'яттю НЗ_Е - Нормально замкнена з механічним розблокуванням
Призначення
Вид планки
HZ - довга пласка з отвором для ригелю замка HZ-U - довга U-подібна з отвором для ригелю замка для профільних дверей iW - довга кутова з отвором для ригелю замка KL - коротка пласка без отвору для ригелю замка KL-iW - коротка кутова без отвору для ригелю замка KL-LAP - коротка пласка без отвору для ригелю та з направляючою для язичка замка LAP - довга з отвором для ригелю та з направляючою для язичка замка