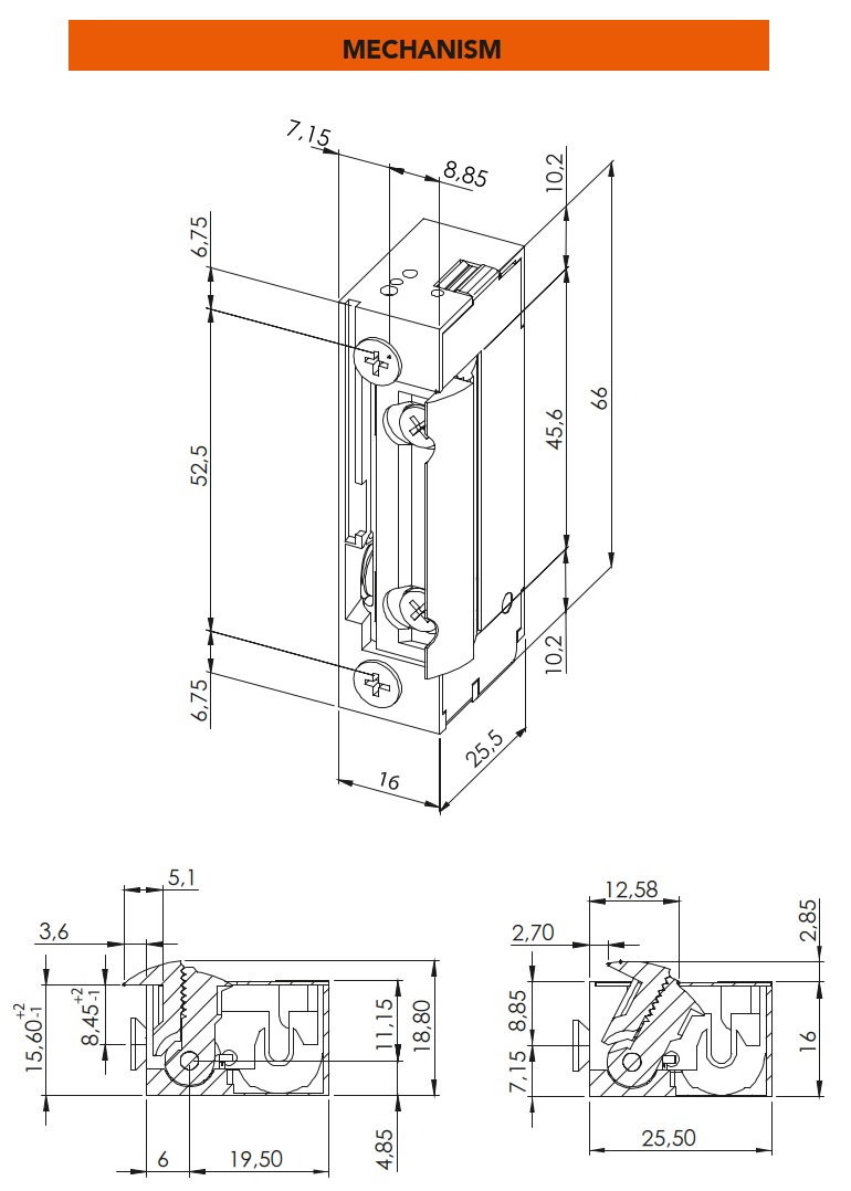
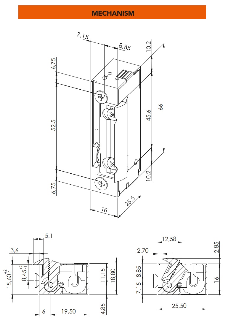
Універсальна електромеханічна защіпка серії 99 зі зменшеними розмірами та радіальним язичком. Може бути встановлена у металеві, дерев’яні та профільні двері. Сумісні з більшістю стандартних врізних замків.
Технічні характеристики:
- Електричне керування: нормально замкнена (замкнена без живлення, відмикання поданням напруги)
- Регулювання язичка: FaFix (регулювання язичка защіпки відносно корпусу, діапазон регулювання 3 мм)
- Напруга: 10-24 В постійного або змінного струму 
- Важіль механічного розблокування (можливість переведення дверей у режим вільного проходу без подання напруги)
- Сторонність: Універсальна (для лівих та правих дверей)
- Без зворотньої планки (зворотна планка замовляється окремо відповідно до типу дверей)
Сумісна з зворотними планками: DORCAS P22 та DORCAS L22
 Якщо ви знайшли помилку, будь ласка, виділіть фрагмент тексту та натисніть Ctrl+Enter.
Якщо ви знайшли помилку, будь ласка, виділіть фрагмент тексту та натисніть Ctrl+Enter.