Omega Pro - це замок високого рівня безпеки з контрольованим дублюванням ключа
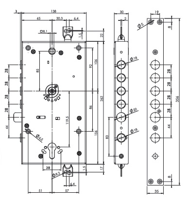
Замок 3-направленого замикання з двома системами замикання. 
Унікальний патентований механізм Omega з розміщенням пінів у трьох площинах;
Циліндровий механізм стандарту EuroDIN керує додатковим ригелем та блокує «основний» замок. Патентований шестеренчастий механізм приводу ригелів.
Mіжцентрова відстань 85 мм.
BackSet 65 мм.
4 сталеві ригелі Ø 18 мм, вихід 30 мм. Відстань між ригелями 28 мм.
Додатковий сталевий ригель, вихід 24 мм.
Реверсивна заскочка з нержавіючої сталі.
Вихід вертикальних тяг – 20 мм.
Довжина леза до голови ключа 86мм.
Комплектація: замок, ключі 1+3+1+1 ключів (1 монтажний ключ, 3 ключі з зеленими мітками  для щоденного використання та кодова картка, 4-й ключ з жовтою та 5-й ключ з червоною мітками і кодова картка для перекодування (Система «VIP» + «Світлофор»)). 
 Якщо ви знайшли помилку, будь ласка, виділіть фрагмент тексту та натисніть Ctrl+Enter.
Якщо ви знайшли помилку, будь ласка, виділіть фрагмент тексту та натисніть Ctrl+Enter.