Вимикач автоматичний TESA PROXIMITY MIFARE фарба сіра накладний

Купуй більше – отримай додаткову знижку!
Фото Вимикач автоматичний TESA                 PROXIMITY MIFARE фарба сіра накладний в інтернет-магазині lock.ua
Завантажити
Роздрібна ціна з ПДВ (без вартості монтажу):
1 560,00 грн. з ПДВ
Артикул:
TES-STHDESC22TSC
Є в наявності
Кількість
- + шт Купити
Увага! Цей товар потребує професійного збирання в авторизованому сервіс центрі
Орієнтовна вартість послуги з монтажу (не входить в вартість товару):
від 0 грн.
Виробник:
TESA Іспанія
• Тип товару:
Вимикач автоматичний
• Модель:
PROXIMITY
• BackSet:
• Торцева планка:
• Сторонність:
Повний опис

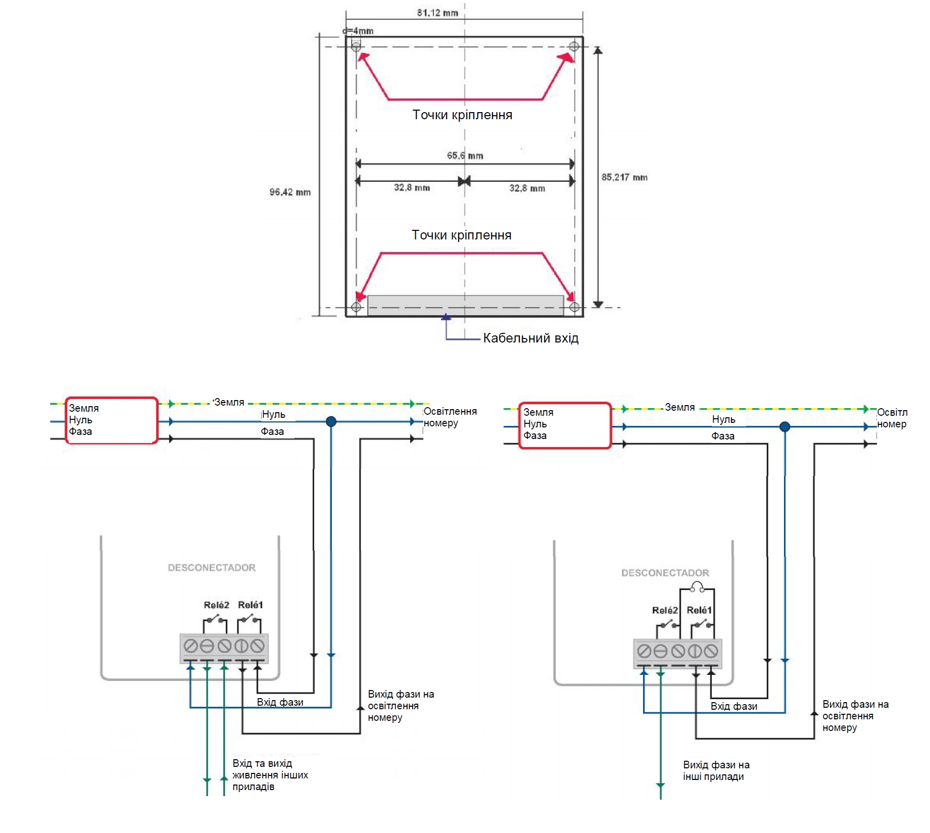
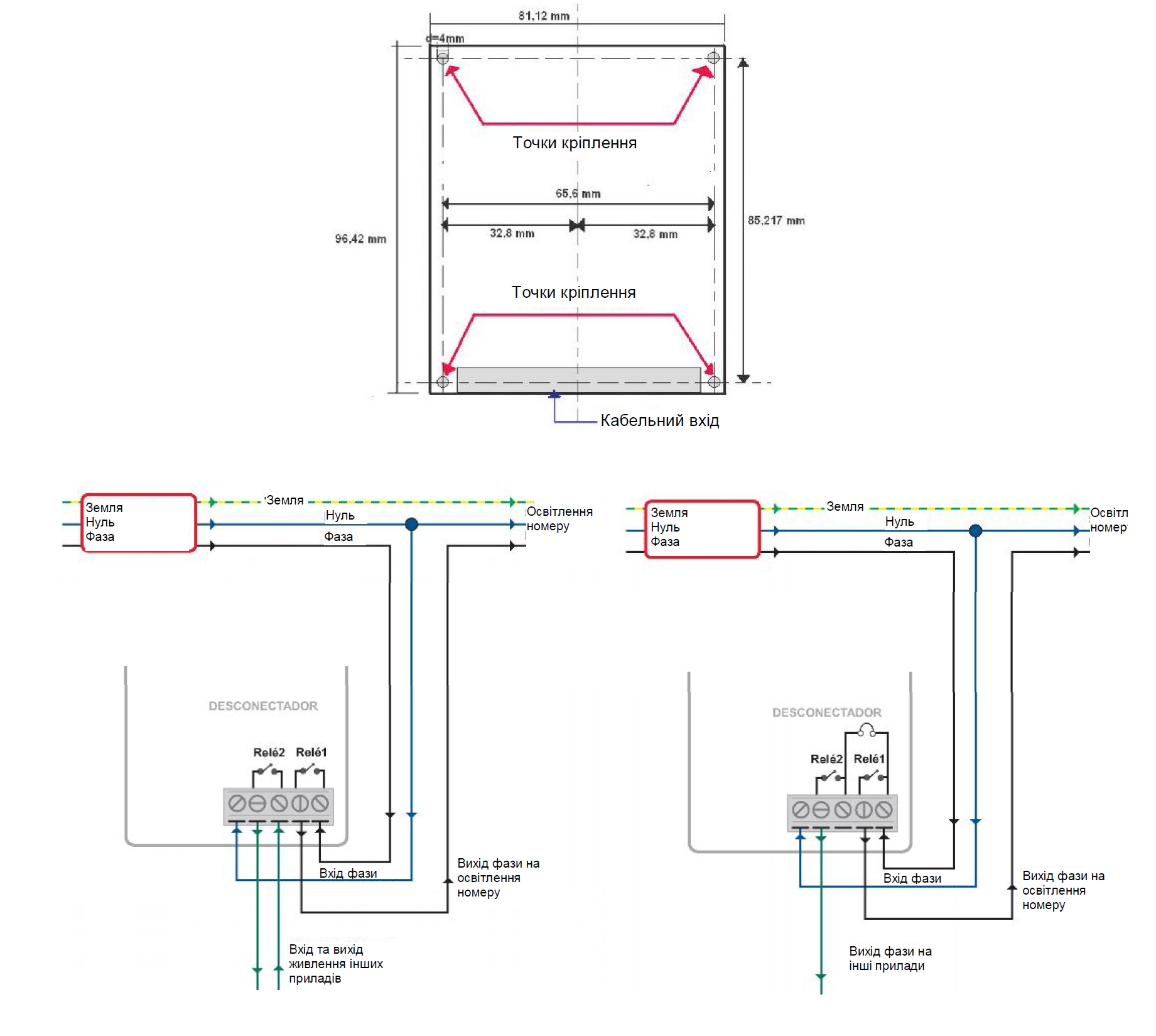
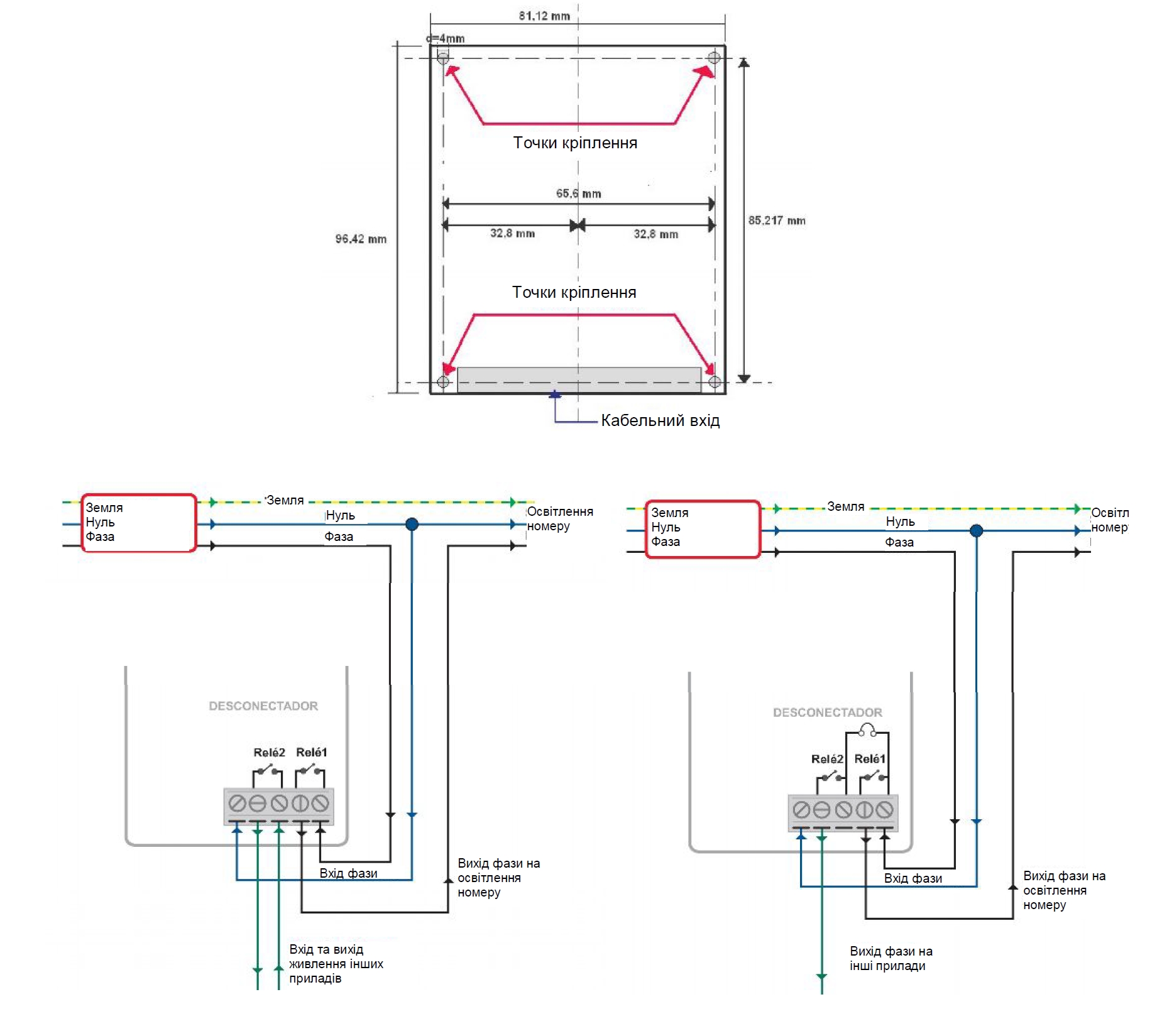
Вимикач автоматичний TESA PROXIMITY є "розумним" пристроєм зберігання електроенергії та  контролює освітлення та інші електричні пристрої (наприклад, кондиціонер)  у номері готелю . Він дозволяє вмикати освітлення в номері  тільки після того, як до нього вставлена авторизована карта. Доки карта залишається у пристрої, гість має можливість користуватись освітленням та іншими електричними пристроями в номері. Після виймання карти з вимикача, освітлення автоматично вимикається із затримкою в 6 секунд (можливо встановлення іншого часу затримки). Пристрій активується виключно картами цього готелю та може відрізняти картки гостя визначеного номера та картки персоналу  з можливістю обмеження для персоналу вмикати тільки освітлення.
Пристрій керується той самою карткою, яку використає гість для доступу до свого номеру. Переваги використання пристрою:
-    Енергозбереження:  Зменшує споживання електроенергії у готелі та гарантує, що якщо номер пустий, електроенергія для зайвого освітлення в номері не споживається. За статистичними даними, використання пристроїв енергозбереження знижує споживання електрики у готелі на 30-40%.
-    Комфорт: Світлова індикація допомагає гостю вставити картку у темряві. Коли гість покидає свій номер та забирає картку, електрика автоматично вимикається із затримкою.
Технічні характеристики:
Вхідна напруга: 100-220В +-10%     
Споживання: статичне 10 mA, максимальне 20 mA
Частота мережі: 50 - 60 Гц.    
Реле: два реле. Реле 1 – з входом фази промислової мережі (керування освітленням), Реле2 – з вільним потенціалом (керування іншими електричними приладами)
Максимальний струм комутації: 10A, 250В ~, cos=1, 6A, 250В ~, cos=0.6
Розміри (ВхШхГ),мм: 132 х 97 х 35  
Монтаж: накладний
Матеріал: ABS (acrylonitrile butadiene styrene) – акрилонітрил, стійкий до знебарвлення, деформації, та агресивних речовин нетоксичний пластик
Колір: фарба під срібло

Якщо ви знайшли помилку, будь ласка, виділіть фрагмент тексту та натисніть Ctrl+Enter.
Фільтр
Вибір:
Поставте помітки зліва від параметрів, які вас цікавлять і дочекайтеся вспливаючого вікна з кількістю віднайдених товарів
Тип товару
Бренд продукту